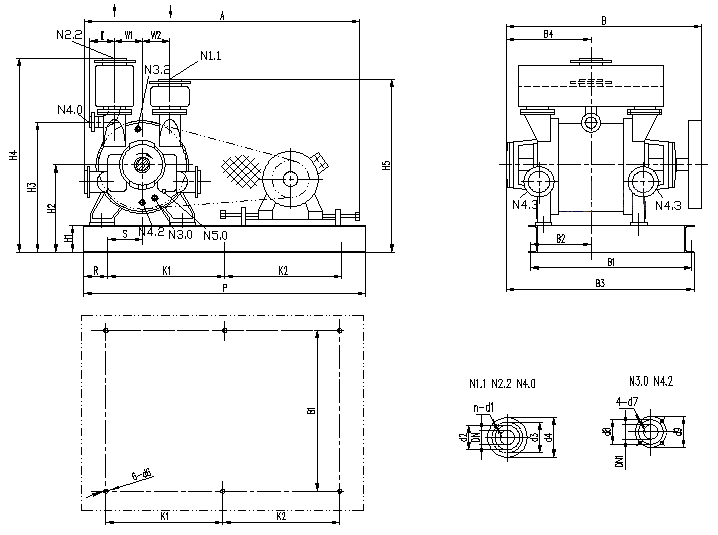
| 2BE1 303/305/306/353/355/356皮带传动安装尺寸 | |
|
|
|
| N1.1连通管法兰 N2.2分离器法兰 N3.0工作液接口 N3.2填料函密封液接口 N4.0分离器排液口 N4.2冲洗、排液口 N4.3泄漏液排放口 N5.0自动溢流阀 |
|
| 代号 | A | B1 | B2 | B3 | B4 | B | DN1 | d6 | d7 | d8 | d9 | H2 | H3 | H4 | H5 | |
| 2BE1 303 | 2285 | 1332 | 500 | 1560 | 705 | 1625 | 25 | 27 | M12 | 68 | 85 | 725 | 1075 | 1610 | 1435 | |
| 2BE1 305/306 | 2285 | 1442 | 555 | 1670 | 760 | 1735 | 25 | 27 | M12 | 68 | 85 | 725 | 1075 | 1610 | 1435 | |
| 2BE1 353 | 2600 | 1452 | 555 | 1730 | 790 | 1930 | 32 | 27 | M12 | 78 | 100 | 900 | 1270 | 1910 | 1710 | |
| 2BE1 355/356 | 2600 | 1592 | 625 | 1870 | 860 | 2070 | 32 | 27 | M12 | 78 | 100 | 900 | 1270 | 1910 | 1710 | |
| 代号 | I | K1 | K2 | P | R | S | W1 | W2 | N3.2 | N4.3 | ||||||
| 2BE1 303 | 205 | 970 | 970 | 2240 | 150 | 285 | 230 | 230 | G1/2" | G1/2" | ||||||
| 2BE1 305/306 | 205 | 970 | 970 | 2240 | 150 | 285 | 230 | 230 | G1/2" | G1/2" | ||||||
| 2BE1 353 | 245 | 1000 | 1000 | 2400 | 200 | 350 | 285 | 285 | G1/2" | G1/2" | ||||||
| 2BE1 355/356 | 245 | 1000 | 1000 | 2400 | 200 | 350 | 285 | 285 | G1/2" | G1/2" | ||||||
| 代号 | DN | d1 | d2 | d3 | d4 | n | 代号 | DN | d1 | d2 | d3 | d4 | n | |||
| 2BE1 303 2BE1 305 2BE1 306 |
N1.1 N2.2 |
200 | 22 | 268 | 295 | 340 | 8 | 2BE1 353 2BE1 355 2BE1 356 |
N1.1 N2.2 |
250 | 22 | 320 | 350 | 395 | 12 | |
| N4.0 | 100 | 18 | 158 | 180 | 220 | 8 | N4.0 | 125 | 18 | 188 | 210 | 250 | 8 | |||