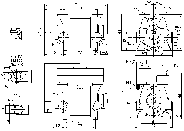
2BE1 303/305/306/353/355/356泵头安装尺寸 |
|
|
|
|
N1.0进气端法兰 N1.1连通管法兰 N2.0排气端法兰 N2.01上置排气法兰 |
|
| 代号 | A | B1 | B2 | b | DN1 | d | d6 | d7 | d8 | d9 | F | H1 | H2 | H3 | H4 | H5 | H6 | |
| 2BE1 303 | 1580 | 670 | 1010 | 28 | 25 | 100 | 35 | M12 | 68 | 85 | 165 | 335 | 475 | 910 | 935 | 825 | 1185 | |
| 2BE1 305/306 | 1690 | 670 | 1010 | 28 | 25 | 100 | 35 | M12 | 68 | 85 | 165 | 335 | 475 | 910 | 935 | 825 | 1185 | |
| 2BE1 353 | 1745 | 800 | 1160 | 32 | 32 | 120 | 35 | M12 | 78 | 100 | 165 | 395 | 560 | 1050 | 1080 | 930 | 1370 | |
| 2BE1 355/356 | 1885 | 800 | 1160 | 32 | 32 | 120 | 35 | M12 | 78 | 100 | 165 | 395 | 560 | 1050 | 1080 | 930 | 1370 | |
| 代号 | H7 | I | J | L1 | L2 | L3 | m | S | T1 | T2 | T3 | W1 | W2 | W3 | W4 | N3.2 | N4.3 | |
| 2BE1 303 | 1360 | 205 | 875 | 430 | 443 | 315 | 106 | 395 | 890 | 864 | 790 | 230 | 230 | 480 | 505 | G1/2" | G1/2" | |
| 2BE1 305/306 | 1360 | 205 | 930 | 430 | 443 | 315 | 106 | 450 | 1000 | 974 | 900 | 230 | 230 | 480 | 505 | G1/2" | G1/2" | |
| 2BE1 353 | 1570 | 245 | 955 | 430 | 455 | 335 | 127 | 455 | 1050 | 1000 | 910 | 285 | 285 | 555 | 580 | G1/2" | G1/2" | |
| 2BE1 355/356 | 1570 | 245 | 1025 | 430 | 455 | 335 | 127 | 525 | 1190 | 1140 | 1050 | 285 | 285 | 555 | 580 | G1/2" | G1/2" | |
| 代号 | DN | d1 | d2 | d3 | d4 | n | 代号 | DN | d1 | d2 | d3 | d4 | n | |||||
| 2BE1 303 2BE1 305 2BE1 306 |
N1.0 N2.01 |
150 | 22 | 212 | 240 | 285 | 8 | 2BE1 353 2BE1 355 2BE1 356 |
N1.0 N2.01 |
200 | 22 | 268 | 295 | 340 | 8 | |||
| N1.1 N2.2 |
200 | 22 | 268 | 295 | 340 | 8 | N1.1 N2.2 |
250 | 22 | 320 | 350 | 395 | 12 | |||||
| N2.0 | 125 | 18 | 188 | 210 | 250 | 8 | N2.0 | 150 | 22 | 212 | 240 | 285 | 8 | |||||
| N4.0 | 100 | 18 | 158 | 180 | 220 | 8 | N4.0 | 125 | 18 | 188 | 210 | 250 | 8 | |||||