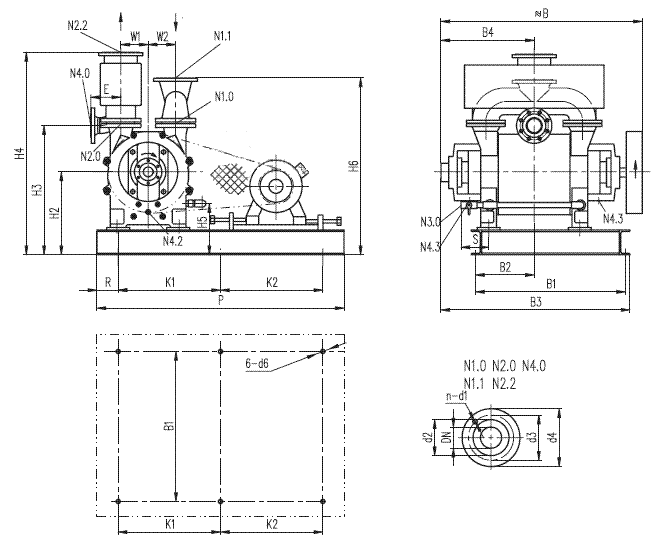
| 2BE1 202/203/252/253皮带传动安装尺寸 | |
|
|
|
| N1.0进气端法兰 N1.1连通管法兰 N2.0排气端法兰 N2.2分离器法兰 N3.0工作液接口 N4.0分离器排液口 N4.2冲洗、排液口 N4.3泄漏液排放口 |
|
| 代号 | B1 | B2 | B3 | B4 | B | d6 | E | H2 | H3 | H4 | H5 | H6 | K1 | K2 | P | |
| 2BE1 202 | 730 | 273 | 951 | 469 | 1030 | 27 | 170 | 470 | 735 | 1140 | 282 | 995 | 580 | 580 | 1400 | |
| 2BE1 203 | 850 | 333 | 1071 | 529 | 1140 | 27 | 170 | 470 | 735 | 1140 | 282 | 995 | 580 | 580 | 1400 | |
| 2BE1 252 | 950 | 345 | 1230 | 595 | 1280 | 27 | 170 | 580 | 930 | 1425 | 328 | 1210 | 800 | 800 | 1900 | |
| 2BE1 253 | 1100 | 420 | 1380 | 670 | 1430 | 27 | 170 | 580 | 930 | 1425 | 328 | 1210 | 800 | 800 | 1900 | |
| 代号 | R | S | W1 | W2 | N3.0 | N4.2 | N4.3 | |||||||||
| 2BE1 202 | 120 | 180 | 155 | 155 | G1" | G3/4" | G3/4" | |||||||||
| 2BE1 203 | 120 | 180 | 155 | 155 | G1" | G3/4" | G3/4" | |||||||||
| 2BE1 252 | 150 | 200 | 215 | 215 | G11/4" | G1" | G3/4" | |||||||||
| 2BE1 253 | 150 | 200 | 215 | 215 | G11/4" | G1" | G3/4" | |||||||||
| 代号 | DN | d1 | d2 | d3 | d4 | n | 代号 | DN | d1 | d2 | d3 | d4 | n | |||
| 2BE1 202 2BE1 203 |
N1.0 N2.0 |
100 | 18 | 158 | 180 | 220 | 8 |
2BE1 252 2BE1 253 |
N1.0 N2.0 |
125 | 18 | 188 | 210 | 250 | 8 | |
| N1.1 N2.2 |
125 | 18 | 188 | 210 | 250 | 8 | N1.1 N2.2 |
150 | 22 | 212 | 240 | 285 | 8 | |||
| N4.0 | 80 | 18 | 132 | 160 | 200 | 8 | N4.0 | 80 | 18 | 132 | 160 | 200 | 8 | |||