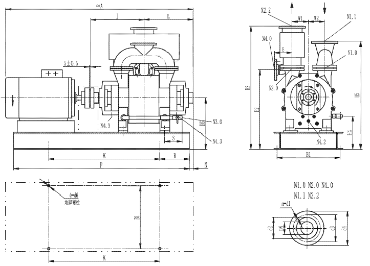
| 2BE1 202/203/252/253直联传动安装尺寸 | |
|
|
|
| N1.0进气端法兰 N1.1连通管法兰 N2.0排气端法兰 N2.2分离器法兰 N3.0工作液接口 N4.0分离器排液口 N4.2冲洗、排液口 N4.3泄漏液排放口 |
|
| 代号 | A | B1 | d6 | E | H2 | H3 | H4 | H5 | H6 | J | K | L | N | P | R | |
| 2BE1 202 | 1785 | 600 | 27 | 170 | 755 | 1160 | 302 | 1015 | 490 | 507 | 1060 | 469 | 36 | 1625 | 280 | |
| 2BE1 203 | 2035 | 600 | 27 | 170 | 755 | 1160 | 302 | 1015 | 490 | 567 | 1060 | 529 | 206 | 1625 | 280 | |
| 2BE1 252 | 2285 | 700 | 27 | 170 | 930 | 1425 | 328 | 1210 | 580 | 630 | 1560 | 595 | 250 | 1800 | 120 | |
| 2BE1 253 | 2655 | 700 | 27 | 170 | 930 | 1425 | 328 | 1210 | 580 | 705 | 1820 | 670 | 250 | 2060 | 120 | |
| 代号 | S | W1 | W2 | N3.0 | N4.2 | N4.3 | ||||||||||
| 2BE1 202 | 175 | 155 | 155 | G1" | G3/4" | G3/4" | ||||||||||
| 2BE1 203 | 175 | 155 | 155 | G1" | G3/4" | G3/4" | ||||||||||
| 2BE1 252 | 200 | 215 | 215 | G11/4" | G1" | G3/4" | ||||||||||
| 2BE1 253 | 200 | 215 | 215 | G11/4" | G1" | G3/4" | ||||||||||
| 代号 | DN | d1 | d2 | d3 | d4 | n | 代号 | DN | d1 | d2 | d3 | d4 | n | |||
| 2BE1 202 2BE1 203 |
N1.0 N2.0 |
100 | 18 | 158 | 180 | 220 | 8 |
2BE1 252 2BE1 253 |
N1.0 N2.0 |
125 | 18 | 188 | 210 | 250 | 8 | |
| N1.1 N2.2 |
125 | 18 | 188 | 210 | 250 | 8 | N1.1 N2.2 |
150 | 22 | 212 | 240 | 285 | 8 | |||
| N4.0 | 80 | 18 | 132 | 160 | 200 | 8 | N4.0 | 80 | 18 | 132 | 160 | 200 | 8 | |||