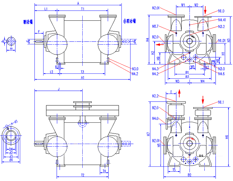
| 2BE3 400/420/500/520/600/620/670/720泵头安装尺寸 | |||||||||||||||||||||||||||||||
|
|
|||||||||||||||||||||||||||||||
|
|||||||||||||||||||||||||||||||
| 代号 | A | A1 | B1 | B2 | B3 | b | d | F | H1 | H2 | H3 | H4 | H5 | H6 | H7 | H8 | H9 | I | J | K1 |
| 2BE3 400 | 2102 | 2359 | 875 | 1320 | 1090 | 32 | 130 | 250 | 560 | 620 | 1160 | 1195 | 1014 | 1520 | 1760 | 209 | 332 | 284 | 1179 | 50 |
| 2BE3 420 | 2391 | 2648 | 875 | 1320 | 1090 | 32 | 130 | 250 | 560 | 620 | 1160 | 1195 | 1014 | 1520 | 1760 | 209 | 332 | 284 | 1323 | 50 |
| 2BE3 500 | 2603 | 2913 | 1120 | 1580 | 1370 | 40 | 160 | 300 | 698 | 775 | 1450 | 1490 | 1232 | 1850 | 2185 | 227 | 451 | 367 | 1456 | 50 |
| 2BE3 520 | 2853 | 3163 | 1120 | 1580 | 1370 | 40 | 160 | 300 | 698 | 775 | 1450 | 1490 | 1232 | 1850 | 2185 | 227 | 451 | 367 | 1581 | 50 |
| 2BE3 600 | 2837 | 3144 | 1320 | 1830 | 1620 | 45 | 180 | 300 | 809 | 900 | 1720 | 1760 | 1503 | 2170 | 2560 | 249 | 539 | 367 | 1572 | 58 |
| 2BE3 620 | 3132 | 3439 | 1320 | 1830 | 1620 | 45 | 180 | 300 | 809 | 900 | 1720 | 1760 | 1503 | 2170 | 2560 | 249 | 539 | 367 | 1719 | 58 |
| 2BE3 670 | 3389 | 3748 | 1400 | 1960 | 1740 | 45 | 200 | 350 | 877 | 975 | 1855 | 1900 | 1734 | 2308 | 2990 | 261 | 576 | 449 | 1873 | 58 |
| 2BE3 720 | 3587 | 3946 | 1600 | 2140 | 1900 | 45 | 200 | 350 | 952 | 1060 | 1985 | 2030 | 1734 | 2308 | 2990 | 273 | 663 | 449 | 1972 | 58 |
| 代号 | K2 | L1 | L2 | M | m | T1 | T2 | T3 | T4 | T5 | W1 | W2 | W3 | W4 | W5 | N3.2 | N4.3 | N4.41 | N4.6 | N8.7 |
| 2BE3 400 | 42 | 594 | 377 | 30 | 137 | 1169 | 1314 | 1103 | 220 | 215 | 300 | 300 | 625 | 660 | 160 | 1/4" | 3/4" | 1/2" | 1/2" | 1/2" |
| 2BE3 420 | 42 | 594 | 377 | 30 | 137 | 1458 | 1603 | 1392 | 220 | 215 | 300 | 300 | 625 | 660 | 160 | 1/4" | 3/4" | 1/2" | 1/2" | 1/2" |
| 2BE3 500 | 42 | 672 | 411 | 35 | 169 | 1568 | 1723 | 1490 | 250 | 250 | 385 | 385 | 750 | 790 | 175 | 1/4" | 3/4" | 1/2" | 1/2" | 1/2" |
| 2BE3 520 | 42 | 672 | 411 | 35 | 169 | 1818 | 1973 | 1740 | 250 | 250 | 385 | 385 | 750 | 790 | 175 | 1/4" | 3/4" | 1/2" | 1/2" | 1/2" |
| 2BE3 600 | 48 | 650 | 398 | 45 | 190 | 1843 | 2043 | 1747 | 300 | 300 | 435 | 435 | 875 | 915 | 200 | 1/2" | 3/4" | 1/2" | 1/2" | 1/2" |
| 2BE3 620 | 48 | 650 | 398 | 45 | 190 | 2138 | 2338 | 2042 | 300 | 300 | 435 | 435 | 875 | 915 | 200 | 1/2" | 3/4" | 1/2" | 1/2" | 1/2" |
| 2BE3 670 | 48 | 733 | 423 | 45 | 210 | 2280 | 2480 | 2200 | 300 | 320 | 460 | 460 | 935 | 980 | 200 | 1/2" | 3/4" | 1/2" | 1/2" | 1/2" |
| 2BE3 720 | 48 | 722 | 427 | 45 | 210 | 2500 | 2730 | 2390 | 340 | 340 | 490 | 490 | 1025 | 1070 | 200 | 1/2" | 3/4" | 1/2" | 1/2" | 1/2" |
| 代号 | 接口 | DN | d1 | d2 | d3 | d4 | n | 接口 | DN | d1 | d2 | d3 | d4 | n | ||||||
| 2BE3 400 2BE3 420 |
N1.0/N1.01 N2.0/N2.01 |
250 | 22 | 320 | 350 | 395 | 12 | N3.0 N4.2 |
50 | M16 | 102 | 125 | - | 4 | ||||||
| N1.1/N2.2 | 300 | 22 | 370 | 400 | 445 | 12 | N4.0 | 150 | 22 | 212 | 240 | 285 | 8 | |||||||
| 2BE3 500 2BE3 520 |
N1.0/N1.01 N2.0/N2.01 |
300 | 22 | 370 | 400 | 445 | 12 | N3.0 N4.2 |
50 | M16 | 102 | 125 | - | 4 | ||||||
| N1.1/N2.2 | 350 | 22 | 430 | 460 | 505 | 16 | N4.0 | 200 | 22 | 268 | 295 | 340 | 8 | |||||||
| 2BE3 600 2BE3 620 |
N1.0/N1.01 N2.0/N2.01 |
350 | 22 | 430 | 460 | 505 | 16 | N3.0 N4.2 |
80 | M16 | 128 | 150 | - | 4 | ||||||
| N1.1/N2.2 | 400 | 26 | 482 | 515 | 565 | 16 | N4.0 | 200 | 22 | 268 | 295 | 340 | 8 | |||||||
| 2BE3 670 | N1.0/N1.01 N2.0/N2.01 |
350 | 22 | 430 | 460 | 505 | 16 | N3.0 N4.2 |
80 | M16 | 128 | 150 | - | 4 | ||||||
| N1.1/N2.2 | 500 | 26 | 585 | 620 | 670 | 20 | N4.0 | 200 | 22 | 268 | 295 | 340 | 8 | |||||||
| 2BE3 720 | N1.0/N1.01 N2.0/N2.01 |
400 | 26 | 482 | 515 | 565 | 16 | N3.0 N4.2 |
80 | M16 | 128 | 150 | - | 4 | ||||||
| N1.1/N2.2 | 500 | 26 | 585 | 620 | 670 | 20 | N4.0 | 250 | 22 | 320 | 350 | 395 | 12 | |||||||